1
/
of
6
EMoto Worx Surron Ultra Bee Tail Light
EMoto Worx Surron Ultra Bee Tail Light
Regular price
$39.99 USD
Regular price
Sale price
$39.99 USD
Unit price
/
per
Taxes included.
Couldn't load pickup availability
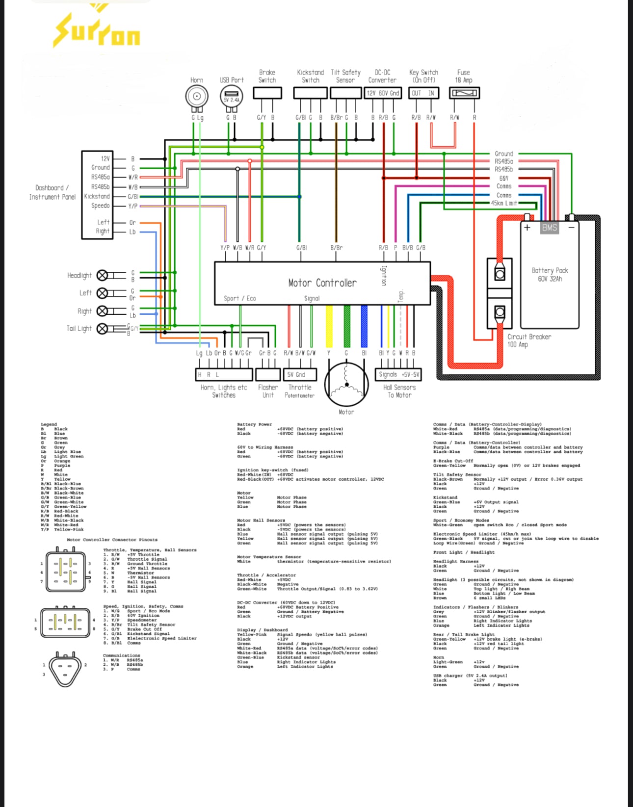
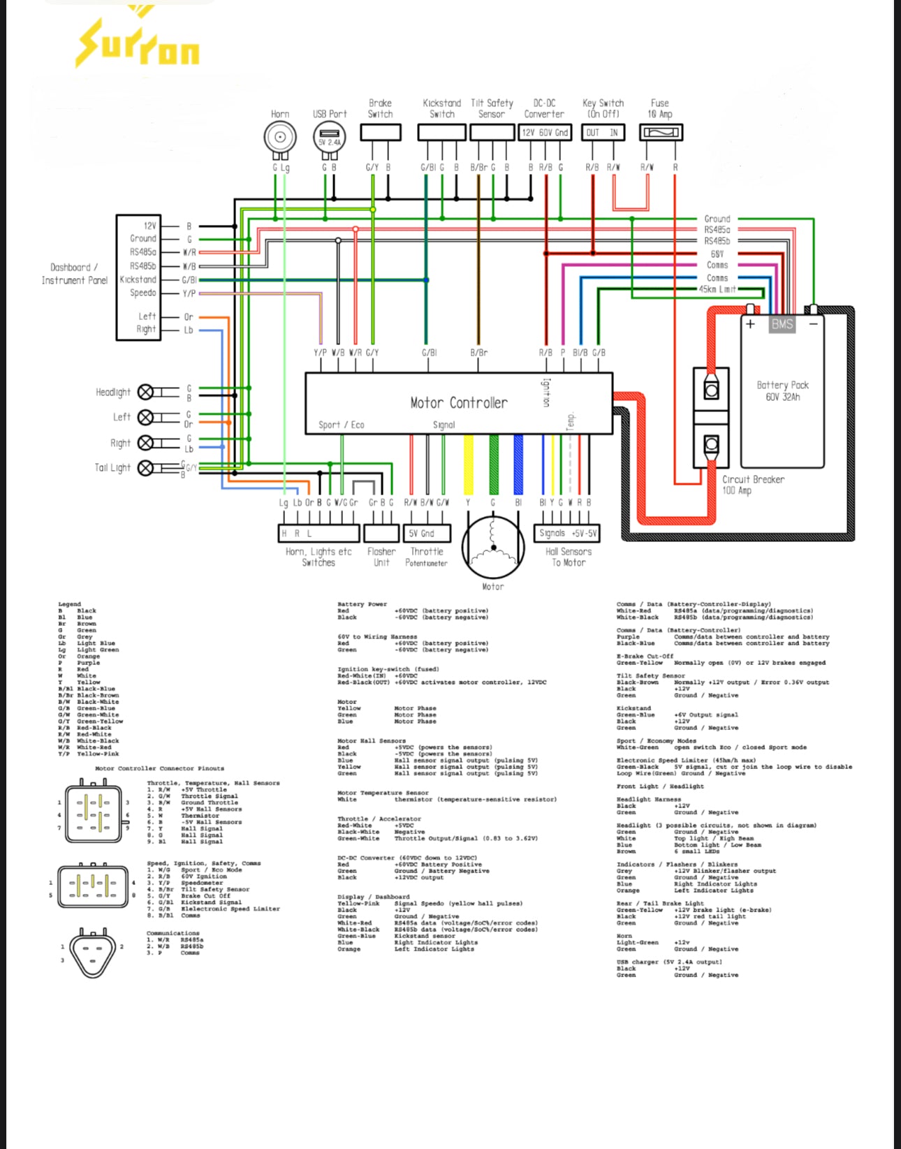
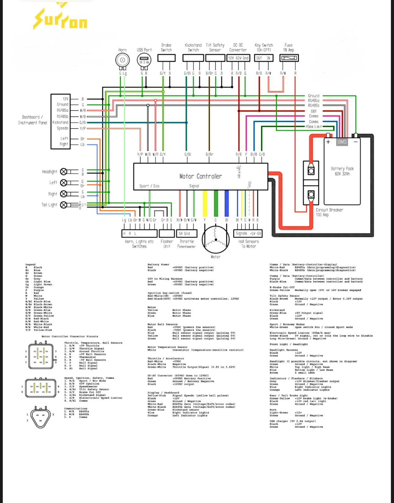
A bolt on solution for a working brake light. Wiring allows a low beam running light and high beam brake light (3 wire).
Off-road models must use rear lighting harness sold here
On-road models use the existing tail light harnes. See wiring diagram in photos.
Comes with M5 bolts and washers for mounting.
Share





